
随着视觉领域的逐步发展,视觉相机的应用场景也逐渐增加,单目相机在使用过程中只能获取平面的偏差,无法测量高度差值。双目相机和单目相机的区别在于双目相机可以测量高度,弥补了单目相机无法测量高度信息的缺点。同时又增加了三个激光器,三个激光器都可以测量高度。其中左右两个激光器用来测量线激光点位高度。中间的激光器发射出面激光可测量面高度。
由激光器、两个光学传感器和中央处理器构成,采用光学传播与成像原理,得到传感器视场内物体成像信息,同时得到激光扫描区域各个点的位置信息,通过复杂的程序算法完成对物体的平面和高度定位。
l 可定位物体平面及高度位置,解决工件摆放偏差,实现物料精确抓取。
u 可支持标准的网口通讯协议。
u 可与多种机器人进行通讯,实现物料精确抓取。
v 减少劳动成本,提高生产效率。
v 集成度高,相机和光源一体设计。
v 有更换玻璃片装置,现场更换玻璃简单。
v 相机光源和激光器为红外光源,无强光刺激人眼。
v 补偿生产、设备和操作公差;
v 双目相机可以测量平面及高度信息
v 在视觉的基础上增加线激光检测高度,检测更加精准。
v 光源和激光都采用红外光,无强光刺激人眼。
v 外观设计符合大众审美,产品体积相对较小。
v 自带风扇散热,产品使用稳定。
|
产品名称 |
双目相机 |
|
产品型号 |
CXZK-SM |
|
检测分辨率 |
1280(Z轴)*960(X轴) |
|
X轴检测精度 |
1.68mm |
|
Y轴检测精度 |
3mm |
|
检测范围 |
1200*1200*1200mm |
|
灯珠 |
850nm*12 |
|
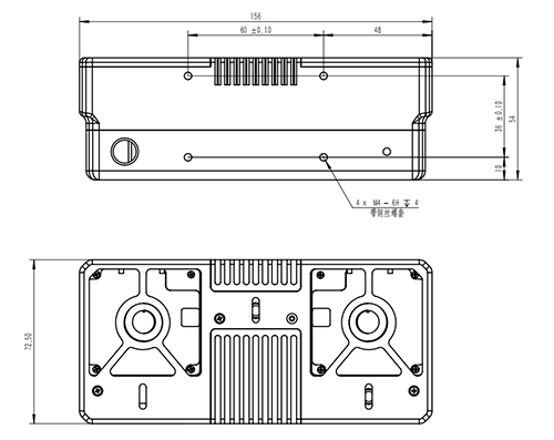
产品体积 |
|
|
输入电压 |
12V |
|
系统更新 |
远程更新固件 |
|
通信接口 |
Modbus tcp |
|
功率 |
24W |
|
工作温度 |
—10—65℃(无冻结) |
|
重量 |
700g |
|
防护等级 |
IP65 |